00254909_0
SCHOOLAIR-V-1800


00132715_0
Geprüft nach VDI 6022


00136287_0
Justierfuß


00149939_0
SCHOOLAIR-V, Filter


00259703_0
Kreuz-Gegenstrom Wärmerückgewinner


00254909_0
00132715_0
00136287_0
00149939_0
00259703_0

SCHOOLAIR-V  

Zu- und Abluftgerät mit Umschaltmöglichkeit auf Sekundärluftbetrieb, inklusive Wärmerückgewinner und Wärmeübertrager zum vertikalen Einbau vor der Brüstung

Anschlussfertiges dezentrales Lüftungsgerät zur komfortablen Raumtemperierung und Be- und Entlüftung von Räumen wie z. B. Unterrichtsräumen

  • Akustisch optimierte EC-Ventilatoren mit niedriger spezifischer Ventilatorleistung, nach EN 13779 SFP = 1
  • Plattenwärmeübertrager als Wärmerückgewinner (Luft/Luft) mit elektro-motorisch angetriebenem Bypass (100 % Auf-Zu)
  • Alternativ Rotationswärmeübertrager als Wärmerückgewinner (Luft/Luft) mit elektro-motorisch angetriebenen stetigem Bypass (100 % Auf-Zu)
  • Wärmeübertrager zum Heizen und Kühlen als 2- oder 4-Leiter-System
  • Gerätegrundfläche ~ 0,24 m²
  • Werkzeugloser Filterwechsel
  • Kondensatwanne mit oder ohne vorbereiteten Kondensatanschluss
  • Motorisierte Absperrklappen, stromlos geschlossen
  • Automatische Umschaltung auf Sekundärluftbetrieb (luftqualitätsabhängig)


Optionale Ausstattung und Zubehör

  • Speziell auf dezentrale Lüftungsgeräte ausgelegte und modular aufgebaute Regelung FSL-CONTROL II
  • Bedarfsabhängige Außenluftmenge und abhängig vom Regelkonzept sind freie Kühlung und Nachtauskühlung möglich
  • Variable Wärmerückgewinnung
  • Pulverbeschichtung nach RAL 9005 (schwarz)

Anwendung

Anwendung

  • Be- und Entlüftung von Räumen, bis ca. 6 m Raumtiefe
  • 2- oder 4-Leiter-Wärmeübertrager ermöglichen eine komfortable Raumtemperierung
  • Luftströmung im Raum nach dem Misch-Quellluft-Prinzip
  • Energetische Vorteile von Wasser als Medium zum Heizen und Kühlen werden genutzt
  • Für Neubau-, Sanierungs- und Revitalisierungsprojekte geeignet
  • Vertikaler Einbau an der Innenfassade bzw. raumseitigen Außenwand
  • Typische Einsatzfälle: Unterrichts- und Aufenthaltsräume in Schulen und Kindertagesstätten, Besprechungsräume, Büroräume mit hohen Luftwechselraten

Besondere Merkmale

  • Dezentrales Lüftungsgerät mit hohen Volumenströmen
  • Motorisierte Absperrklappen für Außen- und Fortluft, stromlos geschlossen, um unkontrollierte Luftströmungen zu verhindern
  • Bedarfsabhängige Be- und Entlüftung durch Überwachung der Raumluftqualität mit entsprechender Regelung möglich
  • Geräteabhängig: Kreuzstrom,- Kreuzgegenstrom-Plattenwärmeübertrager mit motorisch angetriebenen Bypass (100 % Auf-Zu oder variabel) oder Rotationswärmeübertrager als Wärmerückgewinnung
  • Wärmeübertrager als 2- oder 4-Leiter-System mit Überwürfen G½", flachdichtend
  • Entspricht den hygienischen Anforderungen der VDI 6022
  • Filterklasse: Außenluft F7 und Abluft G3
  • Werkzeugloser Filterwechsel mit Schnellverschlüssen
  • Kondensatwanne mit oder ohne Kondensatanschluss
  • Durch die kompakte Bauweise für Sanierungsprojekte besonders gut geeignet
  • Automatische Umschaltung auf Sekundärluftbetrieb (nur in Verbindung mit Luftqualitätssensor) erfolgt sofern die Raumluftqualität (gemessen am z. B. geräteinternen VOC-Sensor) innerhalb der zuvor definierten Grenzwerte liegt. Das Gerät startet immer im energetisch sinnvolleren Sekundärluftbetrieb
  • Geräteabhängig ist der Einsatz eines Enthalpie-Wärmerückgewinners möglich

Nenngrößen

  • SCHOOLAIR-V 2-Leiter-System: 397 × 2160 × 359 mm (B × H × T)
  • SCHOOLAIR-V 4-Leiter-System: 397 × 2350 × 359 mm (B × H × T)
  • SCHOOLAIR-V-1800 2-Leiter-System, 4-Leiter-System: 600 × 1800 × 359 mm (B × H × T)
  • SCHOOLAIR-V-HE 2-Leiter-System, 4-Leiter-System: 600 × 2000 × 408 mm (B × H × T)
  • SCHOOLAIR-V-HV 2-Leiter-System, 4-Leiter-System: 600 × 2200 × 408 mm (B × H × T)

Beschreibung

Varianten

  • SCHOOLAIR-V-2L Volumenstrom: 150, 200, 250, 320 m³/h mit Kreuzstrom-Plattenwärmerückgewinner
  • SCHOOLAIR-V-4L Volumenstrom: 150, 200, 250, 320 m³/h mit Kreuzstrom-Plattenwärmerückgewinner
  • SCHOOLAIR-V-1800 Volumenstrom: 150, 230, 280, 350 m³/h mit Kreuzstrom-Plattenwärmerückgewinner
  • SCHOOLAIR-V-HE Volumenstrom: 150, 200, 240, 360 m³/h mit Kreuzgegenstrom-Plattenwärmerückgewinner (alternativ Enthalpie möglich)
  • SCHOOLAIR-V-HV Volumenstrom: 200, 300, 400, 500 m³/h mit Rotationswärmerückgewinner

Ausführung

  • Pulverbeschichtet RAL 9005, schwarz

Zubehör

  • Holz-Geräteverkleidung mit integrierten Lüftungsgittern für Zu- und Abluft

Ergänzende Produkte

  • Speziell auf dezentrale Lüftungsgeräte ausgelegtes modulares Regelsystem FSL-CONTROL II
  • Anschlussschläuche

Konstruktionsmerkmale

  • 2 energieeffiziente EC-Ventilatoren mit niedriger spezifischer Ventilatorleistung, nach EN 13779 SFP = 1
  • Zuluft strömt im unteren Gerätebereich frontseitig nach dem Misch-Quellluft-Prinzip in den Raum
  • Abluft wird im oberen Gerätebereich abgesaugt

Materialien und Oberflächen

  • Gehäuse, Filterdeckel, Ventilatoren und Stellfüße aus verzinktem Stahlblech
  • Wärmeübertrager aus Kupferrohren und Aluminiumlamellen
  • Wärmerückgewinner (WRG) aus Aluminium oder Kunststoff (geräteabhängig)
  • Gehäuse pulverbeschichtet, schwarz (RAL 9005)
  • F7-Filtermedium aus nassfestem Glasfaserpapier (Eurovent-zertifiziert)
  • Auskleidung mit Mineralwolle nach DIN 4102 Baustoffklasse A mit aufkaschiertem Glasseidengewebe vor Abrieb durch strömende Luft bis max. 20 m/s geschützt
  • Dichtbänder aus geschlossenporigem Material

Normen und Richtlinien

  • Fassadenlüftungsgeräte Serie SCHOOLAIR-V sind konform zur VDI 6035 und zur VDMA 24390
  • Hygienezertifikate nach VDI 6022
  • Heiz-/Kühlmedium entspricht der VDI 2035
  • Erfüllt alle Anforderungen der EU-Verordnung 1253/2014 (ErP-Richtlinie)

Instandhaltung

  • Es gilt die VDI 6022 Blatt 1 – Hygienische Anforderungen an raumlufttechnische Anlagen
  • Wärmeübertrager kann bei Bedarf mit Industriestaubsaugern abgesaugt werden
  • Reinigung ist mit haushaltsüblichen, nicht aggressiven Reinigern möglich

Technische Information

Funktion, TECHNISCHE DATEN, SCHNELLAUSLEGUNG, Ausschreibungstext, Bestellschlüssel, Produktbeziehungen

  • Funktion
  • TECHNISCHE DATEN
  • SCHNELLAUSLEGUNG
  • Ausschreibungstext
  • Bestellschlüssel

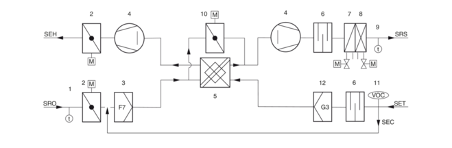
Funktionsbeschreibung

Dezentrale Zu- und Abluftgeräte be- und entlüften den Raum und decken die Kühl- und Heizlast ab.

Die Außenluft wird von einem EC-Radialventilator angesaugt und strömt zunächst durch die motorisierte Absperrklappe und den Filter, Klasse F7.

Anschließend durch den Wärmerückgewinner, der in energetisch sinnvollen Betriebssituationen und zum Geräteschutz umgangen werden kann.

Bevor die Zuluft quellluftartig in den Raum strömt wird sie bei Bedarf im Wärmeübertrager noch geheizt bzw. gekühlt.

Die Abluft strömt durch ein G3 Filtervlies, bevor sie durch den Wärmerückgewinner, den Abluftventilator und die motorisierte Absperrklappe als Fortluft ins Freie gefördert wird.

Zusätzlich kann bei guter Raumluftqualität auf reinen Sekundärluftbetrieb geschaltet werden.

Breite

397 mm (2- bzw. 4-Leiter), 600 mm (2- bzw. 4-Leiter, 1800, HE und HV)

Höhe

1800 mm (2- bzw. 4-Leiter, 1800-Version), 2000 mm (HE-Version), 2160 mm (2-Leiter), 2200 mm (HV-Version), 2350 mm (4-Leiter)

Tiefe

359 mm (2- bzw. 4-Leiter, 1800-Version) 408 mm (2- bzw. 4-Leiter HE- und HV-Version)

Außenluftvolumenstrom

Bis 500 m³/h

Zuluftvolumenstrom

Bis 500 m³/h

Kühlleistung

Bis 1685 W

Heizleistung

Bis 6020 W

Maximaler Betriebsdruck wasserseitig

6 bar

Maximale Betriebstemperatur

75 °C

Schallleistungspegel

31 – 50 dB(A)

Versorgungsspannung

230 V AC ±10 %, 50/60 Hz

Gewicht

Ab 80 kg


SCHOOLAIR-V-0 (Auslegungsbeispiele)

Zuluftvolumenstrom

m³/h

150

200

250

320

Außenluftvolumenstrom

m³/h

150

200

250

320

Gesamtkühlleistung

W

ab 680

ab 900

ab 1130

ab 1440

Raumkühlleistung

W

ab 401

ab 534

ab 668

ab 844

Temperatur der Luft im Gerät

°C

32

32

32

32

rel. Feuchte

%

40

40

40

40

Wassergehalt der tr. Luft

g/kg

11,9

11,9

11,9

11,9

Zulufttemperatur

°C

18

18

18

18,1

Kondensat

g/h

0

0

0

0

Kaltwassermenge

l/h

80

130

190

250

Wassereintrittstemperatur

°C

16

16

16

16

Wasseraustrittstemperatur

°C

23,3

22

21,1

21

Druckverlust wasserseitig

kPa

<3

<5

<8

<12

Gesamtheizleistung

W

2780

3700

4490

5470

Raumheizleistung

W

862

1136

1303

1422

Temperatur der Luft im Gerät

°C

–12

–12

–12

–12

Zulufttemperatur

°C

37,2

37,0

35,6

33,3

Warmwassermenge

l/h

90

150

200

250

Wassereintrittstemperatur

°C

60

60

60

60

Wasseraustrittstemperatur

°C

32,9

38,5

40,4

40,9

Druckverlust wasserseitig

kPa

<3

<5

<7

<11

Schallleistungspegel LWA

dB(A)

31

36

41

46

Schalldruckpegel inkl. 8 dB Systemdämpfung

dB(A)

23

28

33

38


SCHOOLAIR-V (1800 mm) (Auslegungsbeispiele)

Zuluftvolumenstrom

m³/h

150

230

280

350

Außenluftvolumenstrom

m³/h

150

230

280

350

Gesamtkühlleistung

W

684

1060

1310

1590

Raumkühlleistung

W

406

630

786

935

Temperatur der Luft im Gerät

°C

32,0

32,0

32,0

32,0

rel. Feuchte

%

40,0

40,0

40,0

40,0

Wassergehalt der tr. Luft

g/kg

11,9

11,9

11,9

11,9

Zulufttemperatur

°C

17,9

17,8

17,6

18,0

Kondensat

g/h

0

0

0

0

Kaltwassermenge

l/h

60

120

180

210

Wassereintrittstemperatur

°C

16

16

16

16

Wasseraustrittstemperatur

°C

25,8

23,6

22,3

22,5

Druckverlust wasserseitig

kPa

1,1

3,8

8

10,4

Gesamtheizleistung

W

2950

4230

4900

5630

Raumheizleistung

W

907

1122

1150

1005

Temperatur der Luft im Gerät

°C

–12,0

–12,0

–12,0

–12,0

Zulufttemperatur

°C

40,1

36,6

34,3

30,6

Warmwassermenge

l/h

100

170

200

210

Wassereintrittstemperatur

°C

60

60

60

60

Wasseraustrittstemperatur

°C

34,4

38,4

38,8

36,8

Druckverlust wasserseitig

kPa

4,8

12,3

16,5

18,1

Schallleistungspegel LWA

dB(A)

31

38

42

47

Schalldruckpegel inkl. 8 dB Systemdämpfung

dB(A)

23

30

34

39


SCHOOLAIR-V-HE (Auslegungsbeispiele)

Zuluftvolumenstrom

m³/h

150

200

240

360

Gesamtheizleistung (WRG nicht berücksichitigt)

W

2960

3820

4520

6020

Raumheizleistung

W

671

781

890

675

Temperatur der Luft im Gerät

°C

–16

–16

–16

–16

Zulufttemperatur

°C

35,4

33,7

33,1

27,5

Kondensatmenge

g/h

510

690

830

1180

Warmwassermenge

l/h

75

110

150

200

Wassereintrittstemperatur

°C

60

60

60

60

Wasseraustrittstemperatur

°C

26

30

34

34

Druckverlust wasserseitig

kPa

2,9

5,7

10,0

16,7

Schallleistungspegel LWA

dB(A)

36

40

43

50

Schalldruckpegel inkl. 8 dB Systemdämpfung

dB(A)

28

32

35

42


SCHOOLAIR-V-HV (Auslegungsbeispiele)

Zuluftvolumenstrom

m³/h

200

300

400

500

Gesamtheizleistung (WRG berücksichitigt)

W

1300

1960

2530

3150

Raumheizleistung

W

508

772

962

1169

Temperatur der Luft im Gerät

°C

10,0

10,0

10,0

10,0

Zulufttemperatur

°C

28,6

28,7

28,2

28,0

Warmwassermenge

l/h

35

60

85

120

Wassereintrittstemperatur

°C

60

60

60

60

Wasseraustrittstemperatur

°C

27,8

31,7

34,1

37,2

Druckverlust wasserseitig

kPa

2

5

9,5

17


Lüftungsgerät mit Zu- und Abluftfunktion, Umschaltmöglichkeit auf Sekundärluftbetrieb (luftqualitätsabhängig), mit Wärmeübertrager und Wärmerückgewinnung zum vertikalen Einbau vor der Brüstung.

Besondere Merkmale

  • Dezentrales Lüftungsgerät mit hohen Volumenströmen
  • Motorisierte Absperrklappen für Außen- und Fortluft, stromlos geschlossen, um unkontrollierte Luftströmungen zu verhindern
  • Bedarfsabhängige Be- und Entlüftung durch Überwachung der Raumluftqualität mit entsprechender Regelung möglich
  • Geräteabhängig: Kreuzstrom,- Kreuzgegenstrom-Plattenwärmeübertrager mit motorisch angetriebenen Bypass (100 % Auf-Zu oder variabel) oder Rotationswärmeübertrager als Wärmerückgewinnung
  • Wärmeübertrager als 2- oder 4-Leiter-System mit Überwürfen G½", flachdichtend
  • Entspricht den hygienischen Anforderungen der VDI 6022
  • Filterklasse: Außenluft F7 und Abluft G3
  • Werkzeugloser Filterwechsel mit Schnellverschlüssen
  • Kondensatwanne mit oder ohne Kondensatanschluss
  • Durch die kompakte Bauweise für Sanierungsprojekte besonders gut geeignet
  • Automatische Umschaltung auf Sekundärluftbetrieb (nur in Verbindung mit Luftqualitätssensor) erfolgt sofern die Raumluftqualität (gemessen am z. B. geräteinternen VOC-Sensor) innerhalb der zuvor definierten Grenzwerte liegt. Das Gerät startet immer im energetisch sinnvolleren Sekundärluftbetrieb
  • Geräteabhängig ist der Einsatz eines Enthalpie-Wärmerückgewinners möglich

Materialien und Oberflächen

  • Gehäuse, Filterdeckel, Ventilatoren und Stellfüße aus verzinktem Stahlblech
  • Wärmeübertrager aus Kupferrohren und Aluminiumlamellen
  • Wärmerückgewinner (WRG) aus Aluminium oder Kunststoff (geräteabhängig)
  • Gehäuse pulverbeschichtet, schwarz (RAL 9005)
  • F7-Filtermedium aus nassfestem Glasfaserpapier (Eurovent-zertifiziert)
  • Auskleidung mit Mineralwolle nach DIN 4102 Baustoffklasse A mit aufkaschiertem Glasseidengewebe vor Abrieb durch strömende Luft bis max. 20 m/s geschützt
  • Dichtbänder aus geschlossenporigem Material

Ausführung

  • Pulverbeschichtet RAL 9005, schwarz

Technische Daten

  • Breite: 397 mm (2- bzw. 4-Leiter), 600 mm (2- bzw. 4-Leiter, 1800, HE und HV)
  • Höhe: 1800 mm (2- bzw. 4-Leiter, 1800-Version), 2000 mm (HE-Version), 2160 mm (2-Leiter), 2200 mm (HV-Version), 2350 mm (4-Leiter)
  • Tiefe: 359 mm (2- bzw. 4-Leiter, 1800-Version) 408 mm (2- bzw. 4-Leiter HE- und HV-Version)
  • Außenluftvolumenstrom: Bis 500 m³/h
  • Zuluftvolumenstrom: Bis 500 m³/h
  • Kühlleistung: Bis 1685 W
  • Heizleistung: Bis 6020 W
  • Maximaler Betriebsdruck: 6 bar
  • Maximale Betriebstemperatur: 75 °C
  • Schallleistungspegel: 31 – 50 dB(A)
  • Versorgungsspannung: 230 V AC ±10 %, 50/60 Hz
  • Gewicht: Ab 80 kg
  • Elektrische Dimensionierung: SCHOOLAIR-V-2L: 136 VA, SCHOOLAIR-V-4L: 117 VA, SCHOOLAIR-V-1800: 141 VA, SCHOOLAIR-V-HE: 208 VA, SCHOOLAIR-V-HV: 495 VA
  • Leistungsaufnahme bei Nennluftmenge: SCHOOLAIR-V-2L: 44 W, SCHOOLAIR-V-4L: 45 W, SCHOOLAIR-V-1800: 46 W, SCHOOLAIR-V-HE: 42 W, SCHOOLAIR-V-HV: 147 W

Auslegungsdaten

Aussenluft

  • V_________________[m³/h]

Zuluft

  • V_________________[m³/h]

Raumkühlleistung

  • Q_________________[W]

Raumheizleistung

  • Q_________________[W]


  • LWA_______________[dB(A)]

00248695_0

 Serie
SCHOOLAIR-V       Vertikales Lüftungsgerät

 Variante
       Keine Eintragung: Standard
HE       Hoher Wärmerückgewinnungsgrad
HV       Hoher Volumenstrom

 Wärmeübertrager
2       2-Leiter
4       4-Leiter

 Kondensatwanne
       Keine Eintragung: Ohne
KM       Mit Kondensatanschluss

 Abmessungen [mm]
       B × H × T
397 × 2160 × 359 (2-Leiter)
397 × 2350 × 359 (4-Leiter)
604 × 1800 × 359 (2-, 4-Leiter 1800-Version)
600 × 2000 × 408 (2-, 4-Leiter HE-Version)
600 × 2200 × 408 (2-, 4-Leiter HV-Version)

 Regelung
       Keine Eintragung: Ohne
R       Mit

 Regelungsfunktion
MA       Master (Raummodul und Regelmodul)
SL       Slave (Regelmodul)

 Echtzeituhr
       Keine Eintragung: Ohne
       Nur Master
T       Mit

 Schnittstelle
       Keine Eintragung: Ohne
       Nur Master
B       BACnet MS/TP oder Modbus RTU
L       LonWorks LON-FTT10

 

 Luftqualitätsfühler
       Keine Eintragung: Ohne
       Nur Master
V       VOC-Sensor

 Zulufttemperaturfühler
Z       Mit

 Außenlufttemperaturfühler
       Keine Eintragung: Ohne
       Nur Master
A       Mit

 Heizventil
HV       Mit

 Rücklaufverschraubung Heizkreis
R       Mit

 kVS-Wert Heizventil
0,25
0,40
0,63
1,00
F0,50

 Kühlventil
       Nur Vierleiter-Systeme
KV       Mit

 Rücklaufverschraubung Kühlkreis
R       Mit

 kVS-Wert Kühlventil
0,25
0,40
0,63
1,00
F0,50

Dezentrale Lüftungsgeräte sind technisch hochwertige Produkte, die viele Möglichkeiten bei der Gerätekonfektionierung bieten. Zur detaillierten Klärung der Gerätespezifikation für Ihren Einsatzfall wenden Sie sich bitte an eine TROX Niederlassung.

 

Varianten, Abmessungen und Gewichte

  • Varianten
  • Abmessungen und Gewichte

Einbaubeispiele, Einbaudetails, Grundlagen und Definitionen

  • Einbaubeispiele
  • Einbaudetails
  • Grundlagen und Definitionen

Einbau und Inbetriebnahme

  • Aufstellung auf dem Fußboden vertikal an der Fassade bzw. Außenwand
  • Ausgleich von Rohbautoleranzen über die 4 Justierfüße (+40 mm)
  • 1 verstellbarer Befestigungswinkel zur Verschraubung mit dem Baukörper
  • Witterungsschutz der Ansaug- und Fortluftöffnung erfolgt als kundenseitige Leistung
  • Verbindung zur Außenluftansaugung erfolgt über zwei kundenseitig in der Fassade bzw. Außenwand vorgesehene Lüftungsöffnungen, empfohlener Weise mit Gefälle nach außen
  • Freier Querschnitt der Lüftungsöffnungen 0,05 m² je Öffnung
  • Einbau und Erstellung aller Anschlüsse und Lieferung des Befestigungs-, Verbindungs- und Dichtungsmaterials erfolgen kundenseitig
  • Wasseranschlüsse für Vor- und Rücklauf befinden sich, vom Raum aus gesehen, rechts
  • Kundenseitig ist auf die Möglichkeit zur Entleerung und Entlüftung zu achten
  • Elektroanschluss befindet sich, vom Raum aus gesehen, im unteren Bereich auf der rechten Seite
  • Die bauseitige Brüstungsverkleidung darf auf der Gerätevorderseite Wartungsarbeiten sowie Gerätemontage bzw. -demontage nicht einschränken

Definitionen

LWA [dB(A)]

Schallleistungspegel

tPr [°C]

Primärlufttemperatur

tWV [C°]

Wasservorlauftemperatur kühlen/heizen

tR [C°]

Raumtemperatur

tAN [C°]

Ansaugtemperatur der Sekundärluft

QPr [W]

Thermische Leistung Primärluft

Qges [W]

Thermische Leistung gesamt

QW [W]

Thermische Leistung Wasser kühlen/heizen

VPr [l/s/m³/h]

Primärluftvolumenstrom

VW [l/h]

Wasservolumenstrom kühlen/heizen

V [l/h]

Volumenstrom

∆tW [K]

Temperaturdifferenz Wasser

∆pW [kPa]

Wasserseitiger Druckverlust

∆pt [Pa]

Gesamtdruckverlust luftseitig

∆tPr = tPr - tR [K]

Temperaturdifferenz zwischen Primärlufttemperatur und Raumtemperatur

∆tRWV = tWV - tR [K]

Temperaturdifferenz zwischen Wasservorlauf und Raumtemperatur

∆tWm-Ref [K]

Temperaturdifferenz mittlere Wassertemperatur und Referenztemperatur

Hauptabmessungen

LN [mm]

Nennlänge

Misch-Quelllüftung

Die Zuluft strömt mit mittlerer Geschwindigkeit von 1,0 – 1,5 m/s fassadennah in den Raum. Durch die Induktionswirkung werden die Geschwindigkeiten bereits kurz nach dem Lufteintritt in den Raum abgebaut, so dass sich die Zuluft im Kühlfall über die gesamte Bodenfläche quellluftartig ausbreitet. An Wärmequellen wie Menschen und Geräten bildet sich durch natürliche Konvektion eine Auftriebsströmung, so dass primär in diesen Bereichen die Luft ausgetauscht wird.

Wärmeübertrager

Der maximale wasserseitige Betriebsdruck für alle Wärmeübertrager beträgt 6 bar.

Die maximale Wasservorlauftemperatur (Heizkreis) für alle Wärmeübertrager beträgt 75 °C, beim Anschluss mit flexiblen Schläuchen empfehlen wir die Vorlauftemperatur auf 55 °C zu begrenzen. Andere Drücke und Temperaturen auf Anfrage!

Die minimale Wasservorlauftemperatur (Kühlkreislauf) empfehlen wir auf 16 °C zu begrenzen, damit keine dauerhafte Taupunktunterschreitung erfolgt. Bei Geräten mit Kondensatwanne kann die Wasservorlauftemperatur auf 15 °C reduziert werden.

Wärmeübertrager mit 2-Leiter-System

Luft-Wasser-Systeme mit 2-Leiter-Wärmeübertrager können zum Heizen oder Kühlen verwendet werden. Ein sogenannter Change-over-Betrieb ermöglicht es, das mit allen Geräten an einem Wasserkreislauf im Sommer nur gekühlt und im Winter nur geheizt werden kann.

Wärmeübertrager mit 4-Leiter-System

Luft-Wasser-Systeme mit 4-Leiter-Wärmeübertrager können zum Heizen und Kühlen flexibel verwendet werden. In der Übergangszeit kann es z. B. vorkommen, dass ein Büroraum morgens noch geheizt wird und am Nachmittag gekühlt werden muss.

Downloads

Produktinfos

Zertifikate

Betriebsanleitungen

Referenzen

BSZ - Dresden

  • AUFGABE
  • LÖSUNG
  • ERGEBNIS

Höchste Anforderungen an Luftqualität und Energieeffizienz

Die Planung eines Neubaus für das berufliche Schulzentrum für Technik und Wirtschaft wurde bereits im November 2003 begonnen. Das U-förmige Gebäude, in dem 170 körperbehinderte Jungendliche unterrichtet werden, nimmt Bezug zu den bereits vorhandenen Gebäuden und bindet Grünanlagen und Bäume ein. 

Gefordert war ein Konzept, das nicht nur Energie spart, sondern auch die Lage der Schule in der Nähe des Dresdner Flughafens berücksichtigt. Der Fluglärm macht eine Belüftung der Klassenräume durch einfaches Öffnen der Fenster fast unmöglich, so dass eine mechanische Belüftung der Räume zwingend notwendig ist. Weiterhin sollte die Außenansicht der Fassade durch die Lüftungssysteme nicht beeinflusst werden. 

TROX SCHOOLAIR-H Brüstungsgeräte in allen Klassenräumen

Dezentrale Lüftungsgeräte der Serie TROX SCHOOLAIR-H wurden in allen Klassenräumen auf der Brüstung unter dem Fenster eingebaut. Durch die verdeckte Ansaugung der Luft unter der Außenfensterbank wird die Ansicht der Fassade nicht beeinflusst. Die gefilterte Luft strömt aus dem Lüftungsgerät auf die Heizkörper aus und kann so bei Bedarf aufgeheizt werden. Die Abluft wird durch ein Lüftungsgitter in der Innenfensterbank abgesaugt und durch den integrierten Wärmerückgewinner an die Außenluft abgegeben.
Die Geräte werden auch zur Nachtauskühlung in den Sommermonaten genutzt.
Eine Regelung der Lüftungsgeräte ist in den Vorbereitungsräumen durch das Lehrpersonal möglich.

Das optimale Lernklima

Die TROX SCHOOLAIR Systeme sorgen für optimales Lernklima: höhere Leistungs- und Konzentrationsfähigkeit der Schüler durch die geregelte Zufuhr von frischer Luft bei gleichzeitiger Abfuhr der verbrauchten, CO2-belasteten Luft, und störender Lärm bleibt draußen.
Die Ansicht der Fassade ist unbeeinträchtigt durch die verdeckte Außenluftansaugung, die harmonisch unter den Fenstern integriert ist.
Die integrierte Wärmerückgewinnung und die bedarfsgerechte Regelung sparen jede Menge Energie und damit Betriebskosten in beträchtlicher Höhe.

Einbaubeispiel SCHOOLAIR-V

slide_1
slide_2
slide_3

Georg Christoph Lichtenberg Gymnasium - Kassel

pic_1
pic_2
pic_3
  • Infos zum Gebäude

Projekt:
Georg-Christoph-Lichtenberg-Gymnasium

Anwendungsgebiet:
Bildung 

Standort:
Kassel, Deutschland

TROX-Produkte:
Dezentrale Lüftungsgeräte: SCHOOLAIR-V

 

 


production {"x-frame-options"=>"SAMEORIGIN", "x-xss-protection"=>"0", "x-content-type-options"=>"nosniff", "x-permitted-cross-domain-policies"=>"none", "referrer-policy"=>"strict-origin-when-cross-origin", "strict-transport-security"=>"max-age=31536000; includeSubDomains", "content-type"=>"text/html; charset=utf-8", "link"=>"</assets/application-efbc495b06ca980ef13dc743756002fce2f413f798fecb64c7f0c81954c16402.css>; rel=preload; as=style; nopush,</assets/print-fec2e47d6d8dcc5d4c101139f17046ba981ca1c12f71e7e403fba50cc7584175.css>; rel=preload; as=style; nopush,</assets/other_js/modernizr.custom.93544-c26374a79d804901074bb4aa6fd3fa44ea22e840389915d2adce16b024021ef3.js>; rel=preload; as=script; nopush,</assets/other_js/js.cookie.min-de103d86d1919b40950f791699b4ce768137fde41af09b35ff92bde369732183.js>; rel=preload; as=script; nopush,</assets/other_js/jquery-3.5.1-2c4ce18a1a3f144c333912efc24a76c9a165a0dba9f88a499985df1af0a196a2.js>; rel=preload; as=script; nopush"}

Seite teilen

Diese Seite weiterempfehlen

Hier haben Sie die Möglichkeit diese Seite als Link weiter zu empfehlen.

Mit Stern (*) markierte Felder sind Pflichtfelder.

Kontakt

Vielen dank für Ihre Nachricht!

Ihre Empfehlung wurde verschickt und sollte jeden Moment beim Empfänger eingehen.

Kontakt

Wir sind für Sie da

Bitte spezifizieren Sie das Thema Ihrer Anfrage und Ihre Kontaktdaten.
Tel.: +41 55 250 71 11 | Fax: +41 55 250 73 10

Anhang (max. 10MB)

Mit Stern (*) markierte Felder sind Pflichtfelder.

Kontakt

Vielen Dank für Ihre Nachricht!

Ihre Nachricht in ist bei uns eingegangen und wird bearbeitet.
Unsere Abteilung für Service-Anfragen wird sich in Kürze mit Ihnen in Verbindung setzten.
Für allgemeine Fragen zu Produkten und Services erreichen Sie uns auch unter:
Tel.: +41 55 250 71 11 | Fax: +41 55 250 73 10

Kontakt

Wir sind für Sie da

Bitte spezifizieren Sie das Thema Ihrer Anfrage und Ihre Kontaktdaten.
Tel.: +41 55 250 71 11 | Fax: +41 55 250 73 10

Anhang (max. 10MB)

Mit Stern (*) markierte Felder sind Pflichtfelder.

Kontakt

Vielen Dank für Ihre Nachricht!

Ihre Nachricht in ist bei uns eingegangen und wird bearbeitet.
Unsere Abteilung für Service-Anfragen wird sich in Kürze mit Ihnen in Verbindung setzten.
Für allgemeine Fragen zu Produkten und Services erreichen Sie uns auch unter:
Tel.: +41 55 250 71 11 | Fax: +41 55 250 73 10