00132203_0
Volets de dosage, Type JZ-S-A2

Volet de dosage avec servomoteur

00132870_0
Lamelles opposées


00132875_0
Lamelles parallèles


00132203_0
00132870_0
00132875_0

TYPE JZ 

Pour la fermeture ou le réglage du débit d'air dans les systèmes de climatisation

Volets de dosage rectangulaires pour la régulation du débit et de la pression d'air, ainsi que pour la fermeture de sections de gaines et pour la fermeture d'ouvertures dans les murs et plafonds

  • Dimensions maximales 2000 × 1995 mm
  • Débit de fuite du caisson conforme à la norme EN 1751, classe C
  • Ailettes aérodynamiques à action en parallèle ou en opposition
  • Ailettes connectées entre elles par une biellette (pour actionner des ailettes en parallèle ou en opposition)
  • Disponible dans les dimensions standards et nombreuses dimensions intermédiaires
  • Peut être combiné avec des prises d'air extérieures


Équipements et accessoires en option

  • Servomoteurs : Ouvert/fermé, modulants
  • Exécution antidéflagrante avec servomoteur pneumatique ou moteur à ressort de rappel
  • Exécution en revêtement laqué

Application

Application

  • Les volets de dosage type JZ servent d'éléments actifs dans le débit volumétrique et la régulation de pression des systèmes de climatisation
  • Pour fermer les gaines et ouvertures dans les murs ou plafonds
  • Les ailettes connectées en parallèle sont de préférence utilisées pour l'ouverture / fermeture
  • Les ailettes connectées en opposition sont, en raison de leurs caractéristiques, recommandées pour un fonctionnement variable
  • Exécutions laquées et acier inox ayant une résistance à une plus forte corrosion
  • Les versions en acier, ou en acier inox avec des paliers en laiton ou en acier inox, sont adaptées pour une utilisation dans des espaces exposés aux risques d'explosion (ATEX)

Caractéristiques spéciales

  • Ailettes aérodynamiques
  • Maintenance réduite, construction robuste
  • Aucune pièce en silicone
  • Disponible dans les dimensions standards et nombreuses dimensions intermédiaires

Dimensions nominales

  • B : 200 - 2000 mm, par incréments de 1 mm
  • Largeur subdivisée (BM): 2001 – 4150 mm, par incréments de 1 mm
  • H : 180, 345, 510, 675, 840, 1005, 1170, 1335, 1500, 1665, 1830, 1995 mm (tailles intermédiaires 183 – 1998 par incréments de 1 mm, sauf taille standard H – 1 mm, H + 1 mm, H + 2 mm)
  • Hauteur subdivisée (HM) : 1999 – 4066 mm, par incréments de 1 mm
  • Toutes combinaisons B × H

Description

Modèles

  • JZ-S : Volets de dosage avec ailettes connectées en opposition, fabriquées avec des profilés de tôle d'acier galvanisé
  • JZ-P : Volets de dosage avec lamelles connectées en parallèle, faits de profilés de tôle d'acier galvanisé
  • JZ-S-A2 : Volets de dosage avec ailettes connectées en opposition, faits d'acier inox
  • JZ-P-A2 : Volets de dosage avec ailettes connectées en parallèle, en acier inox

Exécution

Raccordement

  • Perçages d'angles des deux côtés
  • G : Perçages de brides des deux côtés


Paliers

  • Paliers en plastique, température de fonctionnement –20 – 100 °C
  • E : Paliers en laiton, température de fonctionnement –20 – 150 °C
  • E : Paliers en acier inox, température de fonctionnement –20 – 150 °C


Ailettes

Volets de dosage en acier ou acier inox avec paliers en laiton ou en acier inox (JZ-...-M, JZ-...-E)

  • V : Ailettes renforcées

Pièces et caractéristiques

  • Clapet de fermeture prêt à être installé
  • Lamelles avec couplage externe
  • Levier de commande

Options associées

  • Dispositif de blocage et interrupteur de fin de course : Dispositif de blocage pour régler le clapet (ajustement continu), et pour capturer les positions de fin de course
  • Servomoteurs d'ouverture et de fermeture : Servomoteurs pour l'ouverture et la fermeture des volets de dosage
  • Servomoteurs modulants : Servomoteurs pour le réglage des ailettes en continu
  • Servomoteurs pneumatiques : Servomoteurs pneumatiques pour l'ouverture et la fermeture des volets de dosage
  • Servomoteurs antidéflagrants : Servomoteurs pour l'ouverture et la fermeture des volets de dosage installés dans des espaces exposés aux risques d'explosion

Accessoires

  • Contre cadre : Contre cadre pour un montage rapide et simple des volets de dosage

Caractéristiques d'exécution

  • Caisson rectangulaire, soudé (P1: caisson avec des vis), épaisseur du matériau 1,25 mm
  • Ailettes, épaisseur de matériau de 1 mm
  • Brides des deux côtés, compatibles au profil de gaine, ou encore un perçage de brides de raccordement ou un perçage de brides angulaire
  • Un couplage externe, robuste et durable, comprenant une tige de couplage et des bras horizontaux
  • Axes du clapet, Ø12 mm, avec un cran pour signaler la position du clapet (non disponible pour l'option ZS99)
  • Avec l'axe d'entraînement comme option associée : Pour la position de l'axe d'entraînement, voir «Dimensions et poids»
  • Avec servomoteur en option associée : Le servomoteur est fixé à la deuxième ailette par le haut
  • La construction et les matériaux sont conformes aux directives et aux instructions UE pour une utilisation avec un risque potentiel d'explosion (ATEX), pour les versions de paliers en laiton ou de paliers en acier inox (-M, -E)

Matériaux et finitions

  • Caisson et ailettes en tôle d'acier galvanisée ou acier inox
  • Axes du clapet, levier de commande et couplage externe en acier galvanisé ou acier inox
  • Paliers en plastique, laiton ou acier inox
  • P1 : Laqué, couleur RAL CLASSIC
  • PS : Revêtement laqué, couleur DB

Normes et directives

  • Débit de fuite du caisson conforme à la norme EN 1751, classe C

Maintenance

  • Aucune maintenance n'est requise pour la structure et les matériaux
  • L’inspection et le nettoyage des impuretés permettent d’éviter la corrosion et des fuites d’air en position fermée

Information technique

Fonction, Données techniques , Sélection rapide, Texte de spécification, Codes de commande

  • Fonction
  • DONNÉES TECHNIQUES
  • SÉLECTION RAPIDE
  • TEXTE DE SPÉCIFICATION
  • CODES DE COMMANDE

Fonctionnement

Les volets de dosage pourvus d'un couplage externe peuvent avoir des lamelles connectées en parallèle ou en opposition.

Le couplage externe transfère le mouvement rotatoire synchrone du levier de commande vers les ailettes. Ces types de couplage permettent d'ouvrir et de fermer les grands volets de dosage en toute sécurité.

Les ailettes à action opposée se ferment à des vitesses variables puisque les couplages comprennent un lien transversal. Cela simplifie la fermeture et réduit la fuite d'air, clapet fermé.


Le couple nécessaire à la fermeture du volet de dosage doit permettre au clapet de s'ouvrir et de se fermer en toute sécurité.

Pour la fermeture, le couple devrait suffire pour assurer la coupure complète des lamelles.

L'ouverture est engagée sans l'action de forces aérodynamiques .

Lorsque l'air circule à travers le clapet, les forces aérodynamiques de débit d'air créent une force de fermeture (couple) sur les lamelles ; ceci se produisant indépendamment de la direction du débit d'air. Cette force de fermeture doit être contrée, ou surpassée. La position des lamelles, ou bien de l'angle des lamelles α qui bénéficie du plus grand couple, dépend entre autres des caractéristiques du ventilateur.

Le couple nécessaire à la fermeture du volet de dosage doit permettre au clapet de s'ouvrir et de se fermer en toute sécurité.

Pour la fermeture, le couple devrait suffire pour assurer la coupure complète des lamelles.

L'ouverture est engagée sans l'action de forces aérodynamiques .

Lorsque l'air circule à travers le clapet, les forces aérodynamiques de débit d'air créent une force de fermeture (couple) sur les lamelles ; ceci se produisant indépendamment de la direction du débit d'air. Cette force de fermeture doit être contrée, ou surpassée. La position des lamelles, ou bien de l'angle des lamelles α qui bénéficie du plus grand couple, dépend entre autres des caractéristiques du ventilateur.

trox_blau20

Dimensions nominales

200×180mm - 2000×1995mm

trox_blau20

Température de fonctionnement

–20 à 100 °C

JZ-*, JZ-*-A2, couple minimum, trox_blau20 H B [mm] B [mm] B [mm] B [mm] B [mm] B [mm] B [mm] B [mm] B [mm] B [mm] trox_blau20 H 200 400 600 800 1000 1200 1400 1600 1800 2000 trox_blau20 mm Nm Nm Nm Nm Nm Nm Nm Nm Nm Nm trox_blau20

180 – 1995

10

10

10

10

10

10

10

10

10

10

Volets de dosage en acier et acier inox, section libre trox_blau20 H B [mm] B [mm] B [mm] B [mm] B [mm] B [mm] B [mm] B [mm] B [mm] B [mm] trox_blau20 H 200 400 600 800 1000 1200 1400 1600 1800 2000 trox_blau20 mm trox_blau20

180 – 344

0,03

0,06

0,09

0,12

0,15

0,18

0,21

0,24

0,27

0,30

trox_blau20

345 – 509

0,06

0,11

0,17

0,23

0,28

0,34

0,40

0,45

0,51

0,57

trox_blau20

510 – 674

0,08

0,17

0,25

0,33

0,42

0,50

0,58

0,67

0,75

0,83

trox_blau20

675 – 839

0,11

0,22

0,33

0,44

0,55

0,66

0,77

0,88

0,99

1,10

trox_blau20

840 – 1004

0,14

0,27

0,41

0,55

0,69

0,82

0,96

1,10

1,23

1,37

trox_blau20

1005 – 1169

0,16

0,33

0,49

0,66

0,82

0,98

1,15

1,31

1,47

1,64

trox_blau20

1170 – 1334

0,19

0,38

0,57

0,76

0,95

1,14

1,33

1,52

1,72

1,91

trox_blau20

1335 – 1499

0,22

0,43

0,65

0,87

1,09

1,30

1,52

1,74

1,96

2,17

trox_blau20

1500 – 1664

0,24

0,49

0,73

0,98

1,22

1,47

1,71

1,95

2,20

2,44

trox_blau20

1665 – 1829

0,27

0,54

0,81

1,08

1,36

1,63

1,90

2,17

2,44

2,71

trox_blau20

1830 – 1994

0,30

0,60

0,89

1,19

1,49

1,79

2,08

2,38

2,68

2,98

trox_blau20

1995

0,32

0,65

0,97

1,30

1,62

1,95

2,27

2,60

2,92

3,25

Tailles intermédiaires : Les largeurs intermédiaires peuvent être extrapolées

Pression différentielle statique maximale pour un volet de dosage fermé trox_blau20 Exécution B [mm] B [mm] B [mm] B [mm] B [mm] B [mm] B [mm] trox_blau20 Exécution 800 1000 1200 1400 1600 1800 2000 trox_blau20 Exécution Δpst max Δpst max Δpst max Δpst max Δpst max Δpst max Δpst max trox_blau20 Exécution Pa Pa Pa Pa Pa Pa Pa trox_blau20

Exécution standard

2500

2000

1650

1400

1250

1100

1000

trox_blau20

Paliers en laiton (-M)

3000

2500

2200

1950

1750

1600

1500

trox_blau20

Paliers en acier inox (-E)

3000

2500

2200

1950

1750

1600

1500

trox_blau20

Lamelles renforcées (-M-V, -E-V)

3500

3000

2700

2500

2300

2100

2000

JZ-S, JZ-S-A2, niveau de puissance acoustique pour un volet de dosage fermé trox_blau20 Δpst Area B × H [m²] Area B × H [m²] Area B × H [m²] Area B × H [m²] Area B × H [m²] Area B × H [m²] Area B × H [m²] Area B × H [m²] trox_blau20 Δpst 0,14 0,2 0,4 0,6 0,8 1,2 2 4 trox_blau20 Δpst LWA LWA LWA LWA LWA LWA LWA LWA trox_blau20 Pa dB(A) dB(A) dB(A) dB(A) dB(A) dB(A) dB(A) dB(A) trox_blau20

100

57

58

61

63

64

66

68

71

trox_blau20

200

63

65

68

69

71

72

75

77

trox_blau20

500

71

72

76

78

79

81

83

84

trox_blau20

1000

78

80

82

84

85

88

90

>90

trox_blau20

1500

81

83

86

88

89

>90

>90

>90

trox_blau20

2000

84

85

89

>90

>90

>90

>90

>90

JZ-P, JZ-P-A2, niveau de puissance acoustique pour un volet de dosage fermé trox_blau20 Δpst Area B × H [m²] Area B × H [m²] Area B × H [m²] Area B × H [m²] Area B × H [m²] Area B × H [m²] Area B × H [m²] Area B × H [m²] trox_blau20 Δpst 0,14 0,2 0,4 0,6 0,8 1,2 2 4 trox_blau20 Δpst LWA LWA LWA LWA LWA LWA LWA LWA trox_blau20 Pa dB(A) dB(A) dB(A) dB(A) dB(A) dB(A) dB(A) dB(A) trox_blau20

100

57

58

61

63

64

64

68

71

trox_blau20

200

63

65

68

69

71

71

75

78

trox_blau20

500

71

72

76

78

79

79

85

87

trox_blau20

1000

78

80

82

84

85

85

89

>90

trox_blau20

1500

81

82

86

88

89

89

>90

>90

trox_blau20

2000

84

86

89

>90

>90

>90

>90

>90

Dimensions nominales

200×180mm - 2000×1995mm

Température de fonctionnement

–20 à 100 °C


JZ-*, JZ-*-A2, couple minimum,

H B [mm]
H 200 400 600 800 1000 1200 1400 1600 1800 2000
mm Nm

180 – 1995

10

10

10

10

10

10

10

10

10

10


Volets de dosage en acier et acier inox, section libre

H B [mm]
H 200 400 600 800 1000 1200 1400 1600 1800 2000
mm

180 – 344

0,03

0,06

0,09

0,12

0,15

0,18

0,21

0,24

0,27

0,30

345 – 509

0,06

0,11

0,17

0,23

0,28

0,34

0,40

0,45

0,51

0,57

510 – 674

0,08

0,17

0,25

0,33

0,42

0,50

0,58

0,67

0,75

0,83

675 – 839

0,11

0,22

0,33

0,44

0,55

0,66

0,77

0,88

0,99

1,10

840 – 1004

0,14

0,27

0,41

0,55

0,69

0,82

0,96

1,10

1,23

1,37

1005 – 1169

0,16

0,33

0,49

0,66

0,82

0,98

1,15

1,31

1,47

1,64

1170 – 1334

0,19

0,38

0,57

0,76

0,95

1,14

1,33

1,52

1,72

1,91

1335 – 1499

0,22

0,43

0,65

0,87

1,09

1,30

1,52

1,74

1,96

2,17

1500 – 1664

0,24

0,49

0,73

0,98

1,22

1,47

1,71

1,95

2,20

2,44

1665 – 1829

0,27

0,54

0,81

1,08

1,36

1,63

1,90

2,17

2,44

2,71

1830 – 1994

0,30

0,60

0,89

1,19

1,49

1,79

2,08

2,38

2,68

2,98

1995

0,32

0,65

0,97

1,30

1,62

1,95

2,27

2,60

2,92

3,25

Tailles intermédiaires : Les largeurs intermédiaires peuvent être extrapolées


Pression différentielle statique maximale pour un volet de dosage fermé

Exécution B [mm]
Exécution 800 1000 1200 1400 1600 1800 2000
Exécution Δpst max
Exécution Pa

Exécution standard

2500

2000

1650

1400

1250

1100

1000

Paliers en laiton (-M)

3000

2500

2200

1950

1750

1600

1500

Paliers en acier inox (-E)

3000

2500

2200

1950

1750

1600

1500

Lamelles renforcées (-M-V, -E-V)

3500

3000

2700

2500

2300

2100

2000


JZ-S, JZ-S-A2, niveau de puissance acoustique pour un volet de dosage fermé

Δpst Area B × H [m²]
Δpst 0,14 0,2 0,4 0,6 0,8 1,2 2 4
Δpst LWA
Pa dB(A)

100

57

58

61

63

64

66

68

71

200

63

65

68

69

71

72

75

77

500

71

72

76

78

79

81

83

84

1000

78

80

82

84

85

88

90

>90

1500

81

83

86

88

89

>90

>90

>90

2000

84

85

89

>90

>90

>90

>90

>90


JZ-P, JZ-P-A2, niveau de puissance acoustique pour un volet de dosage fermé

Δpst Area B × H [m²]
Δpst 0,14 0,2 0,4 0,6 0,8 1,2 2 4
Δpst LWA
Pa dB(A)

100

57

58

61

63

64

64

68

71

200

63

65

68

69

71

71

75

78

500

71

72

76

78

79

79

85

87

1000

78

80

82

84

85

85

89

>90

1500

81

82

86

88

89

89

>90

>90

2000

84

86

89

>90

>90

>90

>90

>90


Des tableaux de sélection rapides offrent un bon aperçu des niveaux de puissance acoustique et des pressions différentielles potentielles. Des valeurs intermédiaires approximatives peuvent être interpolées. Des valeurs intermédiaires précises et des données spéciales peuvent être calculées, grâce à notre programme de sélection Easy Product Finder.

Les niveaux de puissance acoustique LWA s'appliquent aux volets de dosage ayant une surface de section transversale (B × H) de 1 m².

Les pressions différentielles s'appliquent aux volets de dosage installés dans les gaines (type d'installation A).

Des tableaux de sélection rapides offrent un bon aperçu des niveaux de puissance acoustique et des pressions différentielles potentielles. Des valeurs intermédiaires approximatives peuvent être interpolées. Des valeurs intermédiaires précises et des données spéciales peuvent être calculées, grâce à notre programme de sélection Easy Product Finder.

Les niveaux de puissance acoustique LWA s'appliquent aux volets de dosage ayant une surface de section transversale (B × H) de 1 m².

Les pressions différentielles s'appliquent aux volets de dosage installés dans les gaines (type d'installation A).

JZ-S, JZ-S-A2, pression différentielle et niveau de puissance acoustique trox_blau20 v Position des lamelles  α Position des lamelles  α Position des lamelles  α Position des lamelles  α Position des lamelles  α Position des lamelles  α Position des lamelles  α Position des lamelles  α Position des lamelles  α Position des lamelles  α trox_blau20 v OUVERT OUVERT 20° 20° 40° 40° 60° 60° 80° 80° trox_blau20 v Δpst LWA Δpst LWA Δpst LWA Δpst LWA Δpst LWA trox_blau20 m/s Pa dB(A) Pa dB(A) Pa dB(A) Pa dB(A) Pa dB(A) trox_blau20

0,5

<5

<30

<5

<30

<5

<30

22

44

255

67

trox_blau20

1

<5

<30

<5

<30

8

38

85

59

1010

82

trox_blau20

2

<5

31

<5

35

28

53

335

74

>2000

>90

trox_blau20

4

<5

46

10

50

110

68

1395

89

>2000

>90

trox_blau20

6

<5

55

22

59

250

77

>2000

>90

>2000

>90

trox_blau20

8

8

61

40

65

440

83

>2000

>90

>2000

>90

trox_blau20

10

14

66

60

70

690

88

>2000

>90

>2000

>90

JZ-P JZ-P-A2, pression différentielle et niveau de puissance acoustique trox_blau20 v Position des lamelles  α Position des lamelles  α Position des lamelles  α Position des lamelles  α Position des lamelles  α Position des lamelles  α Position des lamelles  α Position des lamelles  α Position des lamelles  α Position des lamelles  α trox_blau20 v OUVERT OUVERT 20° 20° 40° 40° 60° 60° 80° 80° trox_blau20 v Δpst LWA Δpst LWA Δpst LWA Δpst LWA Δpst LWA trox_blau20 m/s Pa dB(A) Pa dB(A) Pa dB(A) Pa dB(A) Pa dB(A) trox_blau20

0,5

<5

<30

 <5

<30 

<5

<30

<5

<30

12

42

trox_blau20

1

<5

<30

<5

<30

<5

<30

12

40

45

60

trox_blau20

2

<5

<30

<5

30

10

41

45

57

185

77

trox_blau20

4

<5

41

6

48

40

58

170

75

750

>90

trox_blau20

6

<5

51

14

58

85

69

385

85

1685

>90

trox_blau20

8

<5

58

25

65

150

76

685

>90

>2000

>90

trox_blau20

10

<5

64

40

71

230

81

1070

>90

>2000

>90

Exemple de dimensionnement

Données

Gaine B × H = 600 × 675 mm

Volets de dosage JZ-S

Type de montage A

V = 2400 l/s (8640 m³/h)

Méthode de calcul

A = 0.600 × 0.675 = 0.405 m²

v = V ∕ A = 2400 ∕ 0.405 ( ∕ 1000) = 5.9 m/s

Sélection rapide

Δpst = <5 Pa

LWA = 55 dB(A)

JZ-S, JZ-S-A2, pression différentielle et niveau de puissance acoustique

v Position des lamelles  α
v OUVERT 20° 40° 60° 80°
v Δpst LWA Δpst LWA Δpst LWA Δpst LWA Δpst LWA
m/s Pa dB(A) Pa dB(A) Pa dB(A) Pa dB(A) Pa dB(A)

0,5

<5

<30

<5

<30

<5

<30

22

44

255

67

1

<5

<30

<5

<30

8

38

85

59

1010

82

2

<5

31

<5

35

28

53

335

74

>2000

>90

4

<5

46

10

50

110

68

1395

89

>2000

>90

6

<5

55

22

59

250

77

>2000

>90

>2000

>90

8

8

61

40

65

440

83

>2000

>90

>2000

>90

10

14

66

60

70

690

88

>2000

>90

>2000

>90


JZ-P JZ-P-A2, pression différentielle et niveau de puissance acoustique

v Position des lamelles  α
v OUVERT 20° 40° 60° 80°
v Δpst LWA Δpst LWA Δpst LWA Δpst LWA Δpst LWA
m/s Pa dB(A) Pa dB(A) Pa dB(A) Pa dB(A) Pa dB(A)

0,5

<5

<30

 <5

<30 

<5

<30

<5

<30

12

42

1

<5

<30

<5

<30

<5

<30

12

40

45

60

2

<5

<30

<5

30

10

41

45

57

185

77

4

<5

41

6

48

40

58

170

75

750

>90

6

<5

51

14

58

85

69

385

85

1685

>90

8

<5

58

25

65

150

76

685

>90

>2000

>90

10

<5

64

40

71

230

81

1070

>90

>2000

>90


Volets de dosage rectangulaires pour la régulation du débit volumétrique et la pression d'air, ainsi que pour la fermeture de sections de gaines et pour la fermeture d'ouvertures dans les murs et plafonds

Une unité prête à l'emploi qui se compose d'un caisson, des lamelles aérodynamiques et d'un mécanisme de lamelles.

Brides de raccordement des deux côtés, compatible avec les profilés de gaine.

La position des lamelles est indiquée par un cran dans l'extension de l'axe porte-lamelles à l'extérieur .

Étanchéité du caisson conforme à la norme EN 1751, classe C.

Caractéristiques spéciales

  • Ailettes aérodynamiques
  • Maintenance réduite, construction robuste
  • Aucune pièce en silicone
  • Disponible dans les dimensions standards et nombreuses dimensions intermédiaires

Matériaux et finitions

  • Caisson et ailettes en tôle d'acier galvanisée ou acier inox
  • Axes du clapet, levier de commande et couplage externe en acier galvanisé ou acier inox
  • Paliers en plastique, laiton ou acier inox
  • P1 : Laqué, couleur RAL CLASSIC
  • PS : Revêtement laqué, couleur DB

Exécution

Raccordement

  • Perçages d'angles des deux côtés
  • G : Perçages de brides des deux côtés


Paliers

  • Paliers en plastique, température de fonctionnement –20 – 100 °C
  • E : Paliers en laiton, température de fonctionnement –20 – 150 °C
  • E : Paliers en acier inox, température de fonctionnement –20 – 150 °C


Ailettes

Volets de dosage en acier ou acier inox avec paliers en laiton ou en acier inox (JZ-...-M, JZ-...-E)

  • V : Ailettes renforcées

Données techniques

  • Dimensions nominales : 200 × 180 mm – 2000 × 1995 mm
  • Température de fonctionnement : –20 à 100 °C

Caractéristiques de sélection

  • V _______________________ [m³/h]
  • Δpst _______________________ [Pa]

Bruit du flux d'air

  • LPA _______________________ [dB(A)]

Volets de dosage rectangulaires pour la régulation du débit volumétrique et la pression d'air, ainsi que pour la fermeture de sections de gaines et pour la fermeture d'ouvertures dans les murs et plafonds

Une unité prête à l'emploi qui se compose d'un caisson, des lamelles aérodynamiques et d'un mécanisme de lamelles.

Brides de raccordement des deux côtés, compatible avec les profilés de gaine.

La position des lamelles est indiquée par un cran dans l'extension de l'axe porte-lamelles à l'extérieur .

Étanchéité du caisson conforme à la norme EN 1751, classe C.

Caractéristiques spéciales

  • Ailettes aérodynamiques
  • Maintenance réduite, construction robuste
  • Aucune pièce en silicone
  • Disponible dans les dimensions standards et nombreuses dimensions intermédiaires

Matériaux et finitions

  • Caisson et ailettes en tôle d'acier galvanisée ou acier inox
  • Axes du clapet, levier de commande et couplage externe en acier galvanisé ou acier inox
  • Paliers en plastique, laiton ou acier inox
  • P1 : Laqué, couleur RAL CLASSIC
  • PS : Revêtement laqué, couleur DB

Exécution

Raccordement

  • Perçages d'angles des deux côtés
  • G : Perçages de brides des deux côtés


Paliers

  • Paliers en plastique, température de fonctionnement –20 – 100 °C
  • E : Paliers en laiton, température de fonctionnement –20 – 150 °C
  • E : Paliers en acier inox, température de fonctionnement –20 – 150 °C


Ailettes

Volets de dosage en acier ou acier inox avec paliers en laiton ou en acier inox (JZ-...-M, JZ-...-E)

  • V : Ailettes renforcées

Données techniques

  • Dimensions nominales : 200 × 180 mm – 2000 × 1995 mm
  • Température de fonctionnement : –20 à 100 °C

Caractéristiques de sélection

  • V _______________________ [m³/h]
  • Δpst _______________________ [Pa]

Bruit du flux d'air

  • LPA _______________________ [dB(A)]

00225036_0

    Type
                                                                              JZ       Volet de dosage
                                                                      

  Commande
                                                                              S       Opposé (standard)
                                                                               P       Parallèle
                                                                      

 Matériau
 Aucune indication : acier galvanisé
A2       Acier inox
                                                                      

Profil de gaine
 Aucune indication : perçage d'angle des deux côtés
G       Perçages de brides des deux côtés (pas de perçages de brides angulaires)
  Paliers
 Sans indication : Paliers en plastique
M       Paliers en laiton
E       Paliers en inox
                                                                  

  Exécution des ailettes
Uniquement pour les volets de dosage en acier ou acier inox avec paliers en laiton ou en acier inox
V       Ailettes renforcées
 Côté commande
Sans indication : À droite  L       Côté gauche
                                                                      

 

  Dimensions nominales [mm]
                     B × H
                     B > 2000 : largeur subdivisée
                     H > 1998 : hauteur subdivisée         

   Contre-cadre
   Aucune indication : sans
                                                                               ER       Avec (uniquement pour Exécution  G)
                                                                      

  Options associées
Aucune indication : sans
                                                                             Z04 – Z07 dispositif de blocage Z12 – Z51 Servomoteurs ZF01 – ZF15 Moteurs à ressort de rappel
Z60 – Z77 Moteurs pneumatiques
Servomoteurs antidéflagrants
Z1EX, Z3EX Electrique
Z60EX – Z77EX Pneumatique
                                                              

  Fonction de sécurité du clapet
                                                                                    Uniquement pour servomoteurs à ressort de rappel et servomoteurs pneumatiques
NO       Ouvert sans tension/pression
NC       Hors tension/hors pression pour FERMER
                                                                      

 Finition
Aucune indication : Exécution standard
 P1       Laquée, indiquer la nuance de couleur RAL CLASSIC
PS       Laquée, spécifier couleur DB
                                                                  

Niveau de brillance
RAL 9010 50 %
RAL 9006 30 %
teintes RAL 70 %
                                                                      

                                                                                                                                                    

Exemple de commande : JZ–S–G–M–V–L/800×510/ER/Z43

Fonction

Opposé

Matériau

Acier galvanisé

Raccordement

Perçages de brides des deux côtés

Paliers

Paliers en laiton

Exécution des ailettes

Ailettes renforcées

Côté commande

Côté gauche

Dimension nominale

800 × 510 mm

Contre-cadre

Avec

Options associées

Servomoteur, 10 Nm, 230 V AC, 3-point

Finition

Exécution standard


 

Modèles, Options associées, Dimensions et poids, Détails du produit

  • Modèles
  • Options associées
  • Dimensions et poids
  • Détails du produit

JZ-S

Modèle

  • JZ-S : Volets de dosage avec ailettes connectées en opposition, fabriquées avec des profilés de tôle d'acier galvanisé

Matériaux et finitions

  • Caisson et lamelles en tôle d'acier galvanisée
  • Axes du clapet, levier de commande et couplage externe en acier galvanisé
  • Paliers en plastique
  • P1 : Laqué, couleur RAL CLASSIC
  • PS : Revêtement laqué, couleur DB

JZ-P

Modèle

  • JZ-P : Volets de dosage avec ailettes connectées en parallèle, faits de profilés de tôle d'acier galvanisé

Matériaux et finitions

  • Caisson et lamelles en tôle d'acier galvanisée
  • Axes du clapet, levier de commande et couplage externe en acier galvanisé
  • Paliers en plastique
  • P1 : Laqué, couleur RAL CLASSIC
  • PS : Revêtement laqué, couleur DB

JZ-S-A2

Modèle

  • Volets de dosage avec ailettes connectées en opposition, en acier inox

Matériaux et finitions

  • Caisson, lamelles et couplage externe en acier inox, matériau no° 1.4301
  • Axes en acier inox, matériau no° 1.4305
  • Surface : décapée et passivée
  • P1 : Laqué, couleur RAL CLASSIC
  • PS : Revêtement laqué, couleur DB

JZ-P-A2

Modèle

  • Volets de dosage avec ailettes connectées en parallèle, en acier inox

Matériaux et finitions

  • Caisson, lamelles et couplage externe en acier inox, matériau no° 1.4301
  • Axes en acier inox, matériau no° 1.4305
  • Surface : décapée et passivée
  • P1 : Laqué, couleur RAL CLASSIC
  • PS : Revêtement laqué, couleur DB


Détails du code de commande Pièce Matériau

Caisson

Tôle d'acier galvanisé

Ailettes

Tôle d'acier galvanisé

Axes

Acier galvanisé

Levier de commande

Acier galvanisé

Couplage

Acier galvanisé

Paliers

Plastique

A2

Caisson

Acier inoxydable, matériau no. 1.4301

A2

Ailettes

Acier inoxydable, matériau no. 1.4301

A2

Axes

Acier inoxydable, matériau no. 1.4305

A2

Couplage

Acier inoxydable, matériau no. 1.4301

E

Paliers

Inox

M

Paliers

Laiton


Finitions

Détails du code de commande Pièce Finition

Caisson

Sans traitement

P1-RAL ...

Ailettes

Peinture laquée, RAL ...CLASSIC

PS-DB ...

Ailettes

Peinture laquée, DB ...


Dispositifs de blocage et interrupteurs de fin de course trox_blau20 Détails du code de commande Signification Interrupteur fin de course Fonction trox_blau20

Z04

Dispositif de blocage


trox_blau20

Z05

Dispositif de blocage

1

Position du clapet FERMÉ

trox_blau20

Z06

Dispositif de blocage

1

Position du clapet OUVERT

trox_blau20

Z07

Dispositif de blocage

2

Positions du clapet OUVERT et FERMÉ

Servomoteurs Ouverture/Fermeture trox_blau20 Détails du code de commande Signification Fonction Tension d'alimentation Couple Commutateur auxiliaire trox_blau20

Z12

SM230A

–Commande 1 fil –Commande 2 fils (3-point)

100 – 240 V AC

20 Nm

trox_blau20

Z13

GM230A

–Commande 1 fil –Commande à 2 fils (ouvert/fermé)

100 – 240 V AC

40 Nm

trox_blau20

Z14

SM24A

–Commande 1 fil –Commande 2 fils (3-point)

24 V AC/DC

20 Nm

trox_blau20

Z15

GM24A

–Commande 1 fil –Commande à 2 fils (ouvert/fermé)

24 V AC/DC

40 Nm

trox_blau20

Z16

SM230A

–Commande 1 fil –Commande 2 fils (3-point)

100 – 240 V AC

20 Nm

S2A

trox_blau20

Z17

GM230A

–Commande 1 fil –Commande 2 fils (3-point)

100 – 240 V AC

40 Nm

S2A

trox_blau20

Z18

SM24A

–Commande 1 fil –Commande 2 fils (3-point)

24 V AC/DC

20 Nm

S2A

trox_blau20

Z19

GM24A

–Commande 1 fil –Commande 2 fils (3-point)

24 V AC/DC

40 Nm

S2A

trox_blau20

Z43

NM230A

–Commande 1 fil –Commande 2 fils (3-point)

100 – 240 V AC

10 Nm

trox_blau20

Z45

NM24A

–Commande 1 fil –Commande 2 fils (3-point)

24 V AC/DC

10 Nm

trox_blau20

Z47

NM230A

–Commande 1 fil –Commande 2 fils (3-point)

100 – 240 V AC

10 Nm

S2A

trox_blau20

Z49

NM24A

–Commande 1 fil –Commande 2 fils (3-point)

24 V AC/DC

10 Nm

S2A

Servomoteurs Ouverture/Fermeture, version rapide trox_blau20 Détails du code de commande Signification Fonction Tension d'alimentation Couple Commutateur auxiliaire trox_blau20

ZS21

SMQ24A

Commande 1 fil

24 V AC/DC

16 Nm

trox_blau20

ZS22

SMQ24A

Commande 1 fil

24 V AC/DC

16 Nm

S2A

Servomoteurs Ouverture/Fermeture, ressort de rappel trox_blau20 Détails du code de commande Signification Fonction Tension d'alimentation Couple Commutateur auxiliaire trox_blau20

ZF01

NF24A

Tension électrique marche/arrêt

24 V AC/DC

10 Nm

trox_blau20

ZF02

NFA

Tension électrique marche/arrêt

24 – 240 V AC 24 – 125 V DC

10 Nm

trox_blau20

ZF03

NF24A-S2

Tension électrique marche/arrêt

24 V AC/DC

10 Nm

intégré

trox_blau20

ZF04

NFA-S2

Tension électrique marche/arrêt

24 – 240 V AC 24 – 125 V DC

10 Nm

intégré

trox_blau20

ZF06

SF24A

Tension électrique marche/arrêt

24 V AC/DC

20 Nm

trox_blau20

ZF07

SFA

Tension électrique marche/arrêt

24 – 240 V AC 24 – 125 V DC

20 Nm

trox_blau20

ZF08

SF24A-S2

Tension électrique marche/arrêt

24 V AC/DC

20 Nm

intégré

trox_blau20

ZF09

SFA-S2

Tension électrique marche/arrêt

24 – 240 V AC 24 – 125 V DC

20 Nm

intégré

trox_blau20

ZF11

EF24A

Tension électrique marche/arrêt

24 V AC/DC

30 Nm

trox_blau20

ZF12

EF230A

Tension électrique marche/arrêt

100 – 240 V AC

30 Nm

trox_blau20

ZF13

EF24A-S2

Tension électrique marche/arrêt

24 V AC/DC

30 Nm

intégré

trox_blau20

ZF14

EF230A-S2

Tension électrique marche/arrêt

100 – 240 V AC

30 Nm

intégré

Servomoteurs modulants trox_blau20 Détails du code de commande Signification Fonction Tension d'alimentation Couple Commutateur auxiliaire trox_blau20

Z20

SM24A-SR

2 – 10 V DC

24 V AC/DC

20 Nm

trox_blau20

Z21

GM24A-SR

2 – 10 V DC

24 V AC/DC

40 Nm

trox_blau20

Z51

NM24A-SR

2 – 10 V DC

24 V AC/DC

10 Nm

Servomoteurs modulants, ressort de rappel trox_blau20 Détails du code de commande Signification Fonction Tension d'alimentation Couple Commutateur auxiliaire trox_blau20

ZF05

NF24A-SR

2 – 10 V DC

24 V AC/DC

10 Nm

trox_blau20

ZF10

SF24A-SR

2 – 10 V DC

24 V AC/DC

20 Nm

trox_blau20

ZF15

EF24A-SR

2 – 10 V DC

24 V AC/DC

30 Nm

Servomoteurs pneumatiques à double effet, y compris servomoteurs antidéflagrants trox_blau20 Détails du code de commande trox_blau20 Détails du code de commande Signification Fonction de sécurité du clapet Pression de fonctionnement Couple à 6 bar Interrupteur fin de course Électrovanne trox_blau20 trox_blau20 Signification Fonction de sécurité du clapet Pression de fonctionnement Couple à 6 bar Interrupteur fin de course Électrovanne trox_blau20

Z60

trox_blau20

Z60EX

DR030

1,2 – 6 bar

35 Nm

trox_blau20

Z61

trox_blau20

Z61EX

DR030

Hors tension pour la fermeture/ouverture

1,2 – 6 bar

35 Nm

24 V DC

trox_blau20

Z62

trox_blau20

Z62EX

DR030

Hors tension pour la fermeture/ouverture

1,2 – 6 bar

35 Nm

230 V AC

trox_blau20

Z63

trox_blau20

Z63EX

DR030

1,2 – 6 bar

35 Nm

2


trox_blau20

Z64

trox_blau20

Z64EX

DR030

Hors tension pour la fermeture/ouverture

1,2 – 6 bar

35 Nm

2

24 V DC

trox_blau20

Z65

trox_blau20

Z65EX

DR030

Hors tension pour la fermeture/ouverture

1,2 – 6 bar

35 Nm

2

230 V AC

trox_blau20

Z66

trox_blau20

Z66EX

DR060

1,2 – 6 bar

70 Nm


trox_blau20

Z67

trox_blau20

Z67EX

DR060

Hors tension pour la fermeture/ouverture

1,2 – 6 bar

70 Nm

24 V DC

trox_blau20

Z68

trox_blau20

Z68EX

DR060

Hors tension pour la fermeture/ouverture

1,2 – 6 bar

70 Nm

230 V AC

trox_blau20

Z69

trox_blau20

Z69EX

DR060

1,2 – 6 bar

70 Nm

2


trox_blau20

Z70

trox_blau20

Z70EX

DR060

Hors tension pour la fermeture/ouverture

1,2 – 6 bar

70 Nm

2

24 V DC

trox_blau20

Z71

trox_blau20

Z71EX

DR060

Hors tension pour la fermeture/ouverture

1,2 – 6 bar

70 Nm

2

230 V AC

① Standard

② Anti-déflagrant (avec paliers en laiton ou acier inox uniquement)

Z60 – Z65, Z60EX – Z65EX : À une pression de fonctionnement de 1,2 bar uniquement jusqu'à la hauteur H < 1665 mm

Servomoteurs pneumatiques à simple effet, y compris servomoteurs antidéflagrants trox_blau20 Détails du code de commande trox_blau20 Détails du code de commande Signification Fonction de sécurité du clapet Pression de fonctionnement Couple à 6 bar Interrupteur fin de course Électrovanne trox_blau20 trox_blau20 Signification Fonction de sécurité du clapet Pression de fonctionnement Couple à 6 bar Interrupteur fin de course Électrovanne trox_blau20

Z72

trox_blau20

Z72EX

SC060 SO060

Hors pression pour fermeture/ouverture

6 bar

30 Nm



trox_blau20

Z73

trox_blau20

Z73EX

SC060 SO060

Hors tension et hors pression pour fermeture/ouverture

6 bar

30 Nm


24 V DC

trox_blau20

Z74

trox_blau20

Z74EX

SC060 SO060

Hors tension et hors pression pour fermeture/ouverture

6 bar

30 Nm


230 V AC

trox_blau20

Z75

trox_blau20

Z75EX

SC060 SO060

Hors pression pour fermeture/ouverture

6 bar

30 Nm

2


trox_blau20

Z76

trox_blau20

Z76EX

SC060 SO060

Hors tension et hors pression pour fermeture/ouverture

6 bar

30 Nm

2

24 V DC

trox_blau20

Z77

trox_blau20

Z77EX

SC060 SO060

Hors tension et hors pression pour fermeture/ouverture

6 bar

30 Nm

2

230 V AC

① Standard

② Anti-déflagrant (avec paliers en laiton ou acier inox uniquement)

Servomoteurs Ouverture/Fermeture antidéflagrants, servomoteurs à ressort de rappel trox_blau20 Détails du code de commande Signification Fonction Tension d'alimentation Couple Commutateur auxiliaire trox_blau20

Z1EX

ExMax-15-SF

Commande 2 fils (3 points)

24 – 240 V AC/DC

15 Nm

intégré

trox_blau20

Z3EX

ExMax-30-SF

Commande 2 fils (3 points)

24 – 240 V AC/DC

30 Nm

intégré

Avec paliers en laiton ou acier inox uniquement

Dispositifs de blocage et interrupteurs de fin de course

Détails du code de commande Signification Interrupteur fin de course Fonction

Z04

Dispositif de blocage


Z05

Dispositif de blocage

1

Position du clapet FERMÉ

Z06

Dispositif de blocage

1

Position du clapet OUVERT

Z07

Dispositif de blocage

2

Positions du clapet OUVERT et FERMÉ


Servomoteurs Ouverture/Fermeture

Détails du code de commande Signification Fonction Tension d'alimentation Couple Commutateur auxiliaire

Z12

SM230A

–Commande 1 fil –Commande 2 fils (3-point)

100 – 240 V AC

20 Nm

Z13

GM230A

–Commande 1 fil –Commande à 2 fils (ouvert/fermé)

100 – 240 V AC

40 Nm

Z14

SM24A

–Commande 1 fil –Commande 2 fils (3-point)

24 V AC/DC

20 Nm

Z15

GM24A

–Commande 1 fil –Commande à 2 fils (ouvert/fermé)

24 V AC/DC

40 Nm

Z16

SM230A

–Commande 1 fil –Commande 2 fils (3-point)

100 – 240 V AC

20 Nm

S2A

Z17

GM230A

–Commande 1 fil –Commande 2 fils (3-point)

100 – 240 V AC

40 Nm

S2A

Z18

SM24A

–Commande 1 fil –Commande 2 fils (3-point)

24 V AC/DC

20 Nm

S2A

Z19

GM24A

–Commande 1 fil –Commande 2 fils (3-point)

24 V AC/DC

40 Nm

S2A

Z43

NM230A

–Commande 1 fil –Commande 2 fils (3-point)

100 – 240 V AC

10 Nm

Z45

NM24A

–Commande 1 fil –Commande 2 fils (3-point)

24 V AC/DC

10 Nm

Z47

NM230A

–Commande 1 fil –Commande 2 fils (3-point)

100 – 240 V AC

10 Nm

S2A

Z49

NM24A

–Commande 1 fil –Commande 2 fils (3-point)

24 V AC/DC

10 Nm

S2A


Servomoteurs Ouverture/Fermeture, version rapide

Détails du code de commande Signification Fonction Tension d'alimentation Couple Commutateur auxiliaire

ZS21

SMQ24A

Commande 1 fil

24 V AC/DC

16 Nm

ZS22

SMQ24A

Commande 1 fil

24 V AC/DC

16 Nm

S2A


Servomoteurs Ouverture/Fermeture, ressort de rappel

Détails du code de commande Signification Fonction Tension d'alimentation Couple Commutateur auxiliaire

ZF01

NF24A

Tension électrique marche/arrêt

24 V AC/DC

10 Nm

ZF02

NFA

Tension électrique marche/arrêt

24 – 240 V AC 24 – 125 V DC

10 Nm

ZF03

NF24A-S2

Tension électrique marche/arrêt

24 V AC/DC

10 Nm

intégré

ZF04

NFA-S2

Tension électrique marche/arrêt

24 – 240 V AC 24 – 125 V DC

10 Nm

intégré

ZF06

SF24A

Tension électrique marche/arrêt

24 V AC/DC

20 Nm

ZF07

SFA

Tension électrique marche/arrêt

24 – 240 V AC 24 – 125 V DC

20 Nm

ZF08

SF24A-S2

Tension électrique marche/arrêt

24 V AC/DC

20 Nm

intégré

ZF09

SFA-S2

Tension électrique marche/arrêt

24 – 240 V AC 24 – 125 V DC

20 Nm

intégré

ZF11

EF24A

Tension électrique marche/arrêt

24 V AC/DC

30 Nm

ZF12

EF230A

Tension électrique marche/arrêt

100 – 240 V AC

30 Nm

ZF13

EF24A-S2

Tension électrique marche/arrêt

24 V AC/DC

30 Nm

intégré

ZF14

EF230A-S2

Tension électrique marche/arrêt

100 – 240 V AC

30 Nm

intégré


Servomoteurs modulants

Détails du code de commande Signification Fonction Tension d'alimentation Couple Commutateur auxiliaire

Z20

SM24A-SR

2 – 10 V DC

24 V AC/DC

20 Nm

Z21

GM24A-SR

2 – 10 V DC

24 V AC/DC

40 Nm

Z51

NM24A-SR

2 – 10 V DC

24 V AC/DC

10 Nm


Servomoteurs modulants, ressort de rappel

Détails du code de commande Signification Fonction Tension d'alimentation Couple Commutateur auxiliaire

ZF05

NF24A-SR

2 – 10 V DC

24 V AC/DC

10 Nm

ZF10

SF24A-SR

2 – 10 V DC

24 V AC/DC

20 Nm

ZF15

EF24A-SR

2 – 10 V DC

24 V AC/DC

30 Nm


Servomoteurs pneumatiques à double effet, y compris servomoteurs antidéflagrants

Détails du code de commande Signification Fonction de sécurité du clapet Pression de fonctionnement Couple à 6 bar Interrupteur fin de course Électrovanne
Signification Fonction de sécurité du clapet Pression de fonctionnement Couple à 6 bar Interrupteur fin de course Électrovanne

Z60

Z60EX

DR030

1,2 – 6 bar

35 Nm

Z61

Z61EX

DR030

Hors tension pour la fermeture/ouverture

1,2 – 6 bar

35 Nm

24 V DC

Z62

Z62EX

DR030

Hors tension pour la fermeture/ouverture

1,2 – 6 bar

35 Nm

230 V AC

Z63

Z63EX

DR030

1,2 – 6 bar

35 Nm

2


Z64

Z64EX

DR030

Hors tension pour la fermeture/ouverture

1,2 – 6 bar

35 Nm

2

24 V DC

Z65

Z65EX

DR030

Hors tension pour la fermeture/ouverture

1,2 – 6 bar

35 Nm

2

230 V AC

Z66

Z66EX

DR060

1,2 – 6 bar

70 Nm


Z67

Z67EX

DR060

Hors tension pour la fermeture/ouverture

1,2 – 6 bar

70 Nm

24 V DC

Z68

Z68EX

DR060

Hors tension pour la fermeture/ouverture

1,2 – 6 bar

70 Nm

230 V AC

Z69

Z69EX

DR060

1,2 – 6 bar

70 Nm

2


Z70

Z70EX

DR060

Hors tension pour la fermeture/ouverture

1,2 – 6 bar

70 Nm

2

24 V DC

Z71

Z71EX

DR060

Hors tension pour la fermeture/ouverture

1,2 – 6 bar

70 Nm

2

230 V AC

① Standard

② Anti-déflagrant (avec paliers en laiton ou acier inox uniquement)

Z60 – Z65, Z60EX – Z65EX : À une pression de fonctionnement de 1,2 bar uniquement jusqu'à la hauteur H < 1665 mm


Servomoteurs pneumatiques à simple effet, y compris servomoteurs antidéflagrants

Détails du code de commande Signification Fonction de sécurité du clapet Pression de fonctionnement Couple à 6 bar Interrupteur fin de course Électrovanne
Signification Fonction de sécurité du clapet Pression de fonctionnement Couple à 6 bar Interrupteur fin de course Électrovanne

Z72

Z72EX

SC060 SO060

Hors pression pour fermeture/ouverture

6 bar

30 Nm



Z73

Z73EX

SC060 SO060

Hors tension et hors pression pour fermeture/ouverture

6 bar

30 Nm


24 V DC

Z74

Z74EX

SC060 SO060

Hors tension et hors pression pour fermeture/ouverture

6 bar

30 Nm


230 V AC

Z75

Z75EX

SC060 SO060

Hors pression pour fermeture/ouverture

6 bar

30 Nm

2


Z76

Z76EX

SC060 SO060

Hors tension et hors pression pour fermeture/ouverture

6 bar

30 Nm

2

24 V DC

Z77

Z77EX

SC060 SO060

Hors tension et hors pression pour fermeture/ouverture

6 bar

30 Nm

2

230 V AC

① Standard

② Anti-déflagrant (avec paliers en laiton ou acier inox uniquement)


Servomoteurs Ouverture/Fermeture antidéflagrants, servomoteurs à ressort de rappel

Détails du code de commande Signification Fonction Tension d'alimentation Couple Commutateur auxiliaire

Z1EX

ExMax-15-SF

Commande 2 fils (3 points)

24 – 240 V AC/DC

15 Nm

intégré

Z3EX

ExMax-30-SF

Commande 2 fils (3 points)

24 – 240 V AC/DC

30 Nm

intégré

Avec paliers en laiton ou acier inox uniquement


JZ, JZ-HL, tailles standards trox_blau20 H Nombre d'ailettes Position de l'axe d'entraînement Position de l'axe d'entraînement trox_blau20 H Nombre d'ailettes X Ailette trox_blau20 mm mm trox_blau20

180

1

90

1

trox_blau20

345

2

90

1

trox_blau20

510

3

90

1

trox_blau20

675

4

255

2

trox_blau20

840

5

420

3

trox_blau20

1005

6

420

3

trox_blau20

1170

7

585

4

trox_blau20

1335

8

585

4

trox_blau20

1500

9

750

5

trox_blau20

1665

10

750

5

trox_blau20

1830

11

915

6

trox_blau20

1995

12

915

6

JZ, JZ-HL, dimensions intermédiaires trox_blau20 H Nombre d'ailettes Position de l'axe d'entraînement Position de l'axe d'entraînement Y trox_blau20 H Nombre d'ailettes X Ailette Y trox_blau20 mm mm mm trox_blau20

183 – 343

1

90

1

1,5 – 81,5

trox_blau20

348 – 508

2

90

1

1,5 – 81,5

trox_blau20

513 – 673

3

90

1

1,5 – 81,5

trox_blau20

678 – 838

4

255

2

1,5 – 81,5

trox_blau20

843 – 1003

5

420

3

1,5 – 81,5

trox_blau20

1008 – 1168

6

420

3

1,5 – 81,5

trox_blau20

1173 – 1333

7

585

4

1,5 – 81,5

trox_blau20

1338 – 1498

8

585

4

1,5 – 81,5

trox_blau20

1503 – 1663

9

750

5

1,5 – 81,5

trox_blau20

1668 – 1828

10

750

5

1,5 – 81,5

trox_blau20

1833 – 1993

11

915

6

1,5 – 81,5

trox_blau20

1998

12

915

6

1,5

JZ, JZ-LL, JZ-HL, poids trox_blau20 H B [mm] B [mm] B [mm] B [mm] B [mm] B [mm] B [mm] B [mm] B [mm] B [mm] trox_blau20 H 200 400 600 800 1000 1200 1400 1600 1800 2000 trox_blau20 mm kg kg kg kg kg kg kg kg kg kg trox_blau20

180

4

6

8

9

11

13

14

16

18

19

trox_blau20

345

6

8

10

12

15

17

19

21

24

26

trox_blau20

510

7

10

13

16

19

22

25

27

30

33

trox_blau20

675

10

13

16

20

23

27

30

33

37

40

trox_blau20

840

11

15

19

23

28

32

37

41

46

50

trox_blau20

1005

11

17

22

27

32

38

43

48

53

59

trox_blau20

1170

13

19

25

31

37

43

49

55

61

67

trox_blau20

1335

15

22

28

35

41

48

55

61

68

74

trox_blau20

1500

16

23

30

37

44

51

59

66

73

80

trox_blau20

1665

17

25

33

41

49

57

65

72

80

88

trox_blau20

1830

18

27

35

44

52

61

69

78

86

95

trox_blau20

1995

19

29

38

47

56

66

75

84

94

103

JZ, JZ-HL, tailles standards

H Nombre d'ailettes Position de l'axe d'entraînement
H Nombre d'ailettes X Ailette
mm mm

180

1

90

1

345

2

90

1

510

3

90

1

675

4

255

2

840

5

420

3

1005

6

420

3

1170

7

585

4

1335

8

585

4

1500

9

750

5

1665

10

750

5

1830

11

915

6

1995

12

915

6


JZ, JZ-HL, dimensions intermédiaires

H Nombre d'ailettes Position de l'axe d'entraînement Y
H Nombre d'ailettes X Ailette Y
mm mm mm

183 – 343

1

90

1

1,5 – 81,5

348 – 508

2

90

1

1,5 – 81,5

513 – 673

3

90

1

1,5 – 81,5

678 – 838

4

255

2

1,5 – 81,5

843 – 1003

5

420

3

1,5 – 81,5

1008 – 1168

6

420

3

1,5 – 81,5

1173 – 1333

7

585

4

1,5 – 81,5

1338 – 1498

8

585

4

1,5 – 81,5

1503 – 1663

9

750

5

1,5 – 81,5

1668 – 1828

10

750

5

1,5 – 81,5

1833 – 1993

11

915

6

1,5 – 81,5

1998

12

915

6

1,5


JZ, JZ-LL, JZ-HL, poids

H B [mm]
H 200 400 600 800 1000 1200 1400 1600 1800 2000
mm kg

180

4

6

8

9

11

13

14

16

18

19

345

6

8

10

12

15

17

19

21

24

26

510

7

10

13

16

19

22

25

27

30

33

675

10

13

16

20

23

27

30

33

37

40

840

11

15

19

23

28

32

37

41

46

50

1005

11

17

22

27

32

38

43

48

53

59

1170

13

19

25

31

37

43

49

55

61

67

1335

15

22

28

35

41

48

55

61

68

74

1500

16

23

30

37

44

51

59

66

73

80

1665

17

25

33

41

49

57

65

72

80

88

1830

18

27

35

44

52

61

69

78

86

95

1995

19

29

38

47

56

66

75

84

94

103


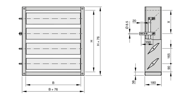
  • Les exécutions comprenant des perçages de brides de raccordement (-G) n'ont pas de perçage de brides angulaire.
  • Perçages de brides de raccordement, avec une largeur 288 mm et une hauteur de 212 mm
  • Axes d'entraînement (accessoire spécial) sur demande.

  • Les exécutions comprenant des perçages de brides de raccordement (-G) n'ont pas de perçage de brides angulaire.
  • Perçages de brides de raccordement, avec une largeur 288 mm et une hauteur de 212 mm
  • Axes d'entraînement (accessoire spécial) sur demande.

Volets de dosage en acier ou en acier inox, largeur, nombre de perçages de brides par côté trox_blau20 B Nb d'ouvertures trox_blau20 B n trox_blau20 mm trox_blau20

200 – 287

1

trox_blau20

288 – 537

2

trox_blau20

538 – 787

3

trox_blau20

788 – 1037

4

trox_blau20

1038 – 1287

5

trox_blau20

1288 – 1537

6

trox_blau20

1538 – 1787

7

trox_blau20

1788 – 2000

8

Volets de dosage en acier ou en acier inox, hauteur nombre de perçages de brides par côté trox_blau20 H Nb d'ouvertures trox_blau20 H n trox_blau20 mm trox_blau20

180 – 211

1

trox_blau20

212 – 461

2

trox_blau20

462 – 711

3

trox_blau20

712 – 961

4

trox_blau20

962 – 1211

5

trox_blau20

1212 – 1461

6

trox_blau20

1462 – 1711

7

trox_blau20

1712 – 1961

8

trox_blau20

1962 – 1995

9

Dépassement de l'extrémité de l'axe trox_blau20 Axe d'entraînement Volet de dosage Volet de dosage Volet de dosage Volet de dosage trox_blau20 Axe d'entraînement JZ-S JZ-P JZ-S-A2 JZ-P-A2 trox_blau20 Axe d'entraînement A A A A trox_blau20 Axe d'entraînement mm mm mm mm trox_blau20

① Standard

32,5

32,5

32,5

32,5

trox_blau20

② Prolongé

255

255

190

190

trox_blau20

③ Carré 9 mm

38

38

45

45

trox_blau20

④ Carré 10 mm

60

60

Volets de dosage en acier ou en acier inox, largeur, nombre de perçages de brides par côté

B Nb d'ouvertures
B n
mm

200 – 287

1

288 – 537

2

538 – 787

3

788 – 1037

4

1038 – 1287

5

1288 – 1537

6

1538 – 1787

7

1788 – 2000

8


Volets de dosage en acier ou en acier inox, hauteur nombre de perçages de brides par côté

H Nb d'ouvertures
H n
mm

180 – 211

1

212 – 461

2

462 – 711

3

712 – 961

4

962 – 1211

5

1212 – 1461

6

1462 – 1711

7

1712 – 1961

8

1962 – 1995

9


Dépassement de l'extrémité de l'axe

Axe d'entraînement Volet de dosage
Axe d'entraînement JZ-S JZ-P JZ-S-A2 JZ-P-A2
Axe d'entraînement A
Axe d'entraînement mm

① Standard

32,5

32,5

32,5

32,5

② Prolongé

255

255

190

190

③ Carré 9 mm

38

38

45

45

④ Carré 10 mm

60

60


Détails du montage, Information de base et nomenclature

  • DÉTAILS DU MONTAGE
  • INFORMATION DE BASE ET NOMENCLATURE

Montage et mise en service

  • Avec ailettes horizontales
  • Avec ou sans contre cadre
  • Montage sans torsion
  • Pour les largeurs supérieures à 2000 mm ou les hauteurs dépassant 1995 mm, installer deux volets de dosage côte à côte ou l'un au-dessus de l'autre
  • Uniquement pour montage en intérieur

Montage et mise en service

  • Avec ailettes horizontales
  • Avec ou sans contre cadre
  • Montage sans torsion
  • Pour les largeurs supérieures à 2000 mm ou les hauteurs dépassant 1995 mm, installer deux volets de dosage côte à côte ou l'un au-dessus de l'autre
  • Uniquement pour montage en intérieur

Largeur subdivisée, largeur trox_blau20 B1 B trox_blau20 mm mm trox_blau20

2550

1200

trox_blau20

2950

1400

trox_blau20

3350

1600

trox_blau20

3750

1800

trox_blau20

4150

2000

Hauteur subdivisée, hauteur trox_blau20 H1 H trox_blau20 mm mm trox_blau20

2086

1005

trox_blau20

2416

1170

trox_blau20

2746

1335

trox_blau20

3076

1500

trox_blau20

3406

1665

trox_blau20

3736

1830

trox_blau20

4066

1995

Largeur subdivisée, largeur

B1 B
mm mm

2550

1200

2950

1400

3350

1600

3750

1800

4150

2000


Hauteur subdivisée, hauteur

H1 H
mm mm

2086

1005

2416

1170

2746

1335

3076

1500

3406

1665

3736

1830

4066

1995


Dimensions principales

B [mm]

Largeur de la gaine

H [mm]

Hauteur de la gaine

n [ ]

Nombre de trous de vis de la bride

M [kg]

Poids

Nomenclature

LWA [dB(A)]

Niveau de puissance acoustique pondéré A du bruit du flux d'air pour le volet de dosage

α [°]

Position actuelle du clapet, 0°: OUVERT, 90°: FERMÉ

A [m²]

Section en amont

v [m/s]

Vitesse du débit d'air calculée en amont sur la base de la section transversale (B × H)

V [m³/h] et [l/s]

Débit d'air

Δpst [Pa]

Pression différentielle statique

Δpst min [Pa]

Pression différentielle statique maximale


Tous les niveaux de puissance acoustique sont basés sur 1 pW.

Téléchargements

Information produit

Certificats

Manuels d'utilisation

production {"x-frame-options"=>"SAMEORIGIN", "x-xss-protection"=>"0", "x-content-type-options"=>"nosniff", "x-permitted-cross-domain-policies"=>"none", "referrer-policy"=>"strict-origin-when-cross-origin", "strict-transport-security"=>"max-age=31536000; includeSubDomains", "content-type"=>"text/html; charset=utf-8", "link"=>"</assets/application-efbc495b06ca980ef13dc743756002fce2f413f798fecb64c7f0c81954c16402.css>; rel=preload; as=style; nopush,</assets/print-fec2e47d6d8dcc5d4c101139f17046ba981ca1c12f71e7e403fba50cc7584175.css>; rel=preload; as=style; nopush,</assets/other_js/modernizr.custom.93544-c26374a79d804901074bb4aa6fd3fa44ea22e840389915d2adce16b024021ef3.js>; rel=preload; as=script; nopush,</assets/other_js/js.cookie.min-de103d86d1919b40950f791699b4ce768137fde41af09b35ff92bde369732183.js>; rel=preload; as=script; nopush,</assets/other_js/jquery-3.5.1-2c4ce18a1a3f144c333912efc24a76c9a165a0dba9f88a499985df1af0a196a2.js>; rel=preload; as=script; nopush"}

Partager la page

Recommander cette page

Vous avez la possibilité de recommander cette page en partageant le lien.

Les champs marqués d'une étoile (*) sont obligatoires.

Contact

Merci pour votre message !

Votre recommandation a été envoyée et sera bientôt reçue par le destinataire.

Contact

Nous sommes à votre disposition

Veuillez préciser votre message et le type de demande.
Tel.: +41 26 425 59 00 | Fax: +41 26 425 59 01

Pièce jointe (max. 10MB)

Les champs marqués d'une étoile (*) sont obligatoires.

Contact

Merci pour votre message !

Votre message a été envoyé et sera traité dans les plus brefs délais.
Notre département de traitement des demandes prendra contact avec vous dès que possible.
Pour les questions d'ordre général concernant les produits ou services, vous pouvez aussi nous appeler :
Tel.: +41 26 425 59 00 | Fax: +41 26 425 59 01

Contact

Nous sommes à votre disposition

Veuillez préciser votre message et le type de demande.
Tel.: +41 26 425 59 00 | Fax: +41 26 425 59 01

Pièce jointe (max. 10MB)

Les champs marqués d'une étoile (*) sont obligatoires.

Contact

Merci pour votre message !

Votre message a été envoyé et sera traité dans les plus brefs délais.
Notre département de traitement des demandes prendra contact avec vous dès que possible.
Pour les questions d'ordre général concernant les produits ou services, vous pouvez aussi nous appeler :
Tel.: +41 26 425 59 00 | Fax: +41 26 425 59 01